この製品は販売終了いたしました。
校正書類の発行可(有償)
定置形硫化水素警報器TK-303-H2Sは、 産業安全技術協会検定合格/JIS M 7653に準拠
◆長耐蝕、対アーク性、絶縁性、防滴構造の丈夫なボディ
◆ブザー、LED、メータの3点表示
◆豊富な出力オプション設定
◆オプションでポンプ吸引式も選択可能
◆連結取付で多点式も可能
産業安全技術協会検定合格、日本海事協会(NK)形式試験合格
日本舶用品検定協会(HK)検定品、水産電子協会型式試験合格
定置型硫化水素警報器TK-303-H2Sは、バツグンの耐食性、絶縁性
UL規格合成樹脂ボディ
設置型硫化水素警報器TK-303-H2Sは、小型、軽量化設計
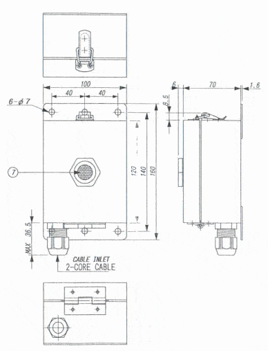
表示警報部:高さ20x幅12x奥行き7cm 約2Kg
センサ部:高さ16x幅10x奥行き7cm 約1Kg
設置型硫化水素警報器TK-303-H2Sは、防滴構造
フェザータッチの操作ボタン
豊富なオプション機能
ディマー(減光)スイッチつき
連結取り付けにより多点式も可能
| 名称 | 硫化水素H2Sガス警報器 |
| 型式 | TK-303-H2S |
| 対象ガス | 硫化水素 |
| 測定原理 | 低電位電解式、隔膜電極式など |
| 検知範囲 | 0~30ppm |
| 指示精度 | フルスケールの±5%以内 |
| 警報設定値 | 10ppm |
| 警報精度 | 警報設定値の±25%以内 |
| 応答速度 | 警報設定値の1.6倍のガスで60秒以内 |
| 使用条件 | 0~40℃ 85%RH以下 |
| 電源 | AC100V、50/60Hz(DC12V、DC24なども可能) |
| 外部警報接点 | 無電圧 1c接点(AC125V、1A) |
| 表示灯 | 動作表示:緑色ランプ点灯 |
| 警報表示:赤色ランプ点灯 | |
| 警報音 | 警報表示:電子ブザーの断続音 |
| レコーダ出力(オプション) | 1)レコーダー出力(0-100mV、4-20mA) 1と2および3と4を組み合わせることはできません |
| 検知部防滴カバー (オプション) |
50,000円(税別) 屋外で使用の場合 |
| 発売元 | 株式会社佐藤商事 総合販売代理店 |
電気工事費は、含みません。2芯シールドケーブルは含みません。
工場よりサービスマンの派遣も可能です 。有料
指示警報部

検知部



アナログ出力4-20mA